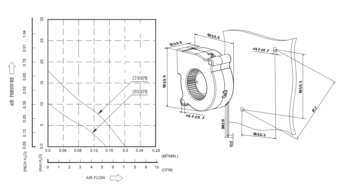
Overall Dimension: 60×60×25mm
Material: Impeller & Frame Plastic (Fire Rating UL94V-0)
Lead Wires: UL 1061 AWG#26 or Equivalent
Impeller: 57 Blades
Rotational direction: CCW view from impeller side
Mass: 50g
Product  | Bearing  | Rotational  | Rated  | Rated  | Rated Input  | Maximum  | Maximum  | Noise  | ||
Product Number  | B.S.R  | RPM  | VDC  | Amp  | Watt  | CFM  | m³/H  | mm H₂O  | in H₂O  | dB-A  | 
BA120625-L  | R  | 2800  | 12  | 0.08  | 0.96  | 5.38  | 9.14  | 9.48  | 0.37  | 28.7  | 
BA120625-S  | R  | 3700  | 12  | 0.16  | 1.92  | 7.11  | 12  | 16.6  | 0.65  | 36.5  | 

Privacy Policy
Data update in progress......
+0086-574-87845333
info@shengjiu.com
Sengjiu Road No 1, Dayin Town, Yuyao City, ZheJiang  Province,China 315423