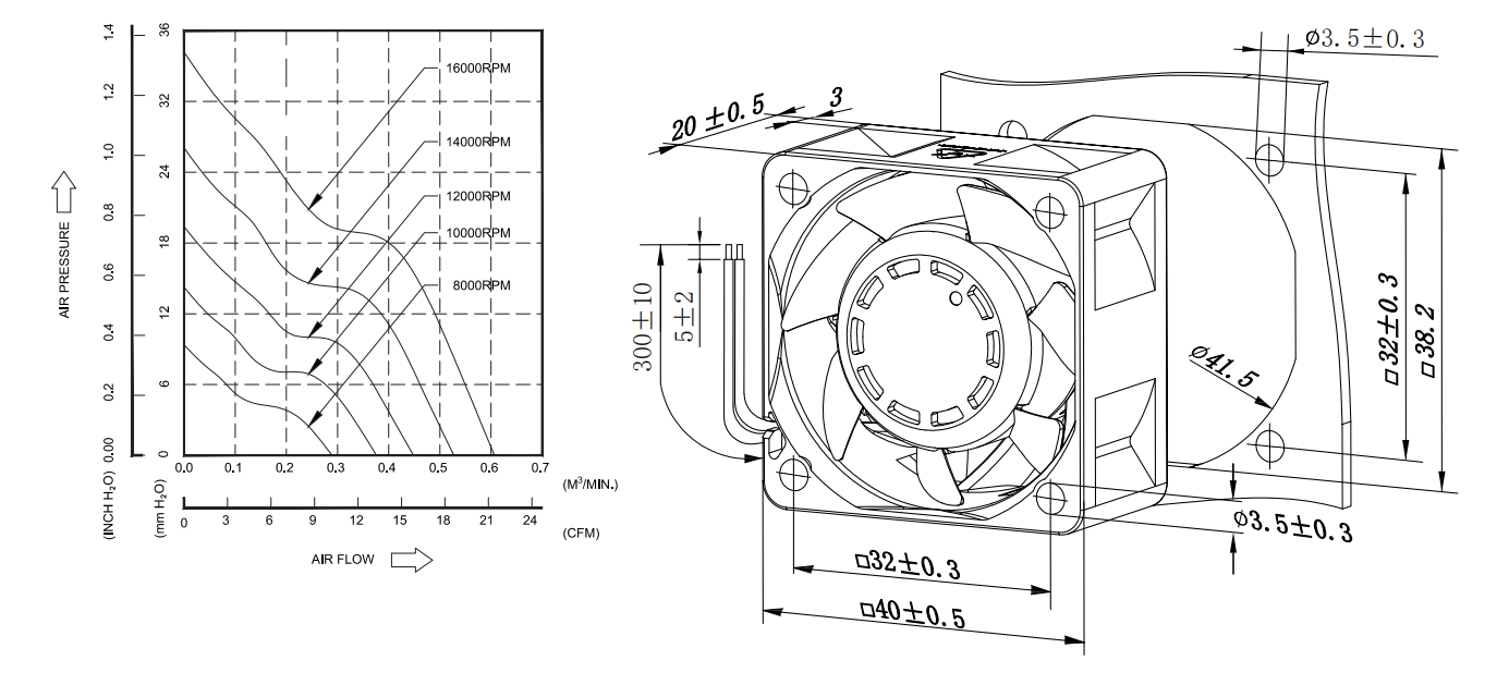
Overall Dimension: 40×40×20mm
Material: Impeller & Frame Plastic (Fire Rating UL94V-0)
Lead Wires: UL 1061 AWG#26
Impeller: 7 Blades
Rotational direction: CCW view from impeller side
Mass: 32g
Product | Bearing | Rotational | Rated | Rated | Rated Input | Maximum | Maximum | Noise | ||
Product Number | B.S.R | RPM | VDC | Amp | Watt | CFM | m³/H | mm H₂O | in H₂O | dB-A |
SA120420-L | B | 8000 | 12 | 0.12 | 1.44 | 10.2 | 17.3 | 9.35 | 0.37 | 38.5 |
SA120420-M | B | 10000 | 12 | 0.15 | 1.8 | 13.3 | 22.5 | 14.3 | 0.56 | 43.4 |
SA120420-H | B | 12000 | 12 | 0.24 | 2.88 | 15.8 | 26.9 | 19.4 | 0.76 | 49.5 |
SA120420-U | B | 14000 | 12 | 0.35 | 4.2 | 18.6 | 31.6 | 26.1 | 1.03 | 52.9 |
SA120420-S | B | 16000 | 12 | 0.52 | 6.24 | 21.4 | 36.4 | 34.2 | 1.35 | 55.8 |
SA240420-L | B | 8000 | 24 | 0.05 | 1.2 | 10.2 | 17.3 | 9.35 | 0.37 | 38.5 |
SA240420-M | B | 10000 | 24 | 0.07 | 1.68 | 13.3 | 22.5 | 14.3 | 0.56 | 43.4 |
SA240420-H | B | 12000 | 24 | 0.12 | 2.88 | 15.8 | 26.9 | 19.4 | 0.76 | 49.5 |
SA240420-U | B | 14000 | 24 | 0.2 | 4.8 | 18.6 | 31.6 | 26.1 | 1.03 | 52.9 |
SA240420-S | B | 16000 | 24 | 0.29 | 6.96 | 21.4 | 36.4 | 34.2 | 1.35 | 55.8 |

Privacy Policy
Data update in progress......
+0086-574-87845333
info@shengjiu.com
Sengjiu Road No 1, Dayin Town, Yuyao City, ZheJiang Province,China 315423