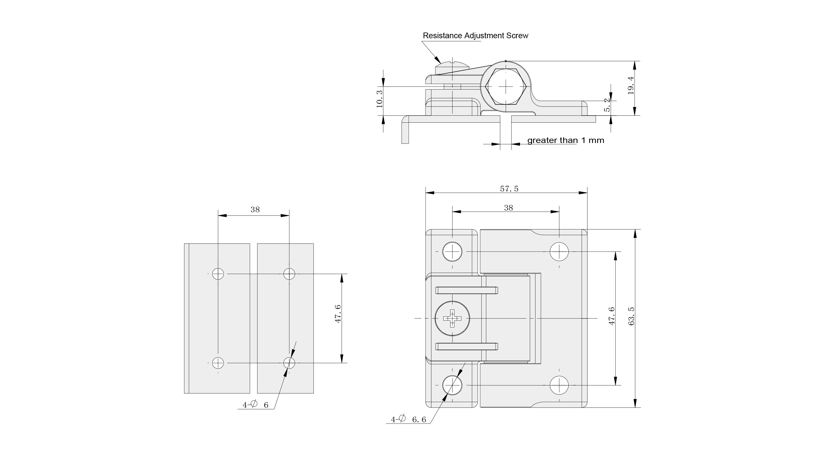
Material: Movable and fixed hinges are POM; rotating shaft is PC; adjusting screws and nuts are stainless steel
Surface Treatment: Movable and fixed hinges are black; rotating shaft is colorless and transparent; adjusting screws and nuts are stainless steel
Structure Description: Maximum rotation angle 165°
| Performance Parameters | |
| Specification | Details |
| Maximum axial static load | 80N |
| Maximum radial static load | 100N |
| Damping value adjustable range | 0~2N.M |

Privacy Policy
Data update in progress......
+0086-574-87845333
info@shengjiu.com
Sengjiu Road No 1, Dayin Town, Yuyao City, ZheJiang Province,China 315423